真空获得
FF-250/1600G
产品特点
- 抗冲击型,适用于负载较大的情况
- 能满足较恶劣的使用环境要求(高温、粉尘等)
- 性能稳定,使用寿命长
- 维护保养简单,方便操作
- 适用范围广,性能稳定
应用领域
科学研究加速器碳化硅晶体晶振ITO镀膜光学镀膜装饰镀膜平板显示真空炉电真空新能源新材料真空干燥低温制冷电子器件
- 技术指标
- 尺寸
- 产品特性
- 配件
- 下载
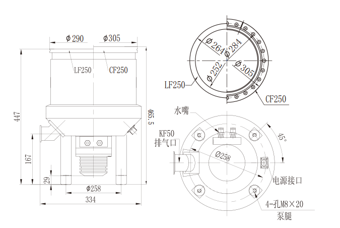
- 进气口法兰
- DN250 CF DN250 ISO-K
- 排气口法兰(ISO-KF)
- DN50
- 抽速速率(L/s)
- N2:1600 He:1550 H2:1000 Ar:640
- 压缩比
- N2:1E8??H2:5E3
- 极限压强(Pa)
- CF:6E-7 ISO-K:6E-6
- 最大连续前级压强(Pa)
- 200
- 最大前级压强(Pa)
- N2:650
- 最大气载量(sccm)
- N2:2500 He:1850 H2:1450 Ar:950
- 额定转速(RPM)
- 24000
- 启动时间(min)
- ≤9
- 冷却方式
- 水冷?
- 冷却水流量(L/min)
- ≥1
- 冷却水温度(℃)
- ≤25
- 电源电压(V AC)
- DC24/AC220
- 最大功率(W)
- ≤750
- 适配电源型号
- TCDP-II、FD-IIB、TD-II/TCP-II
- 建议前级泵(L/s)
- 15
- 重量(kg)
- 47(LF) 50(CF)
| 文件名 | 类型 | 语言 | 日期 | 文件大小 |

