真空获得
FF-200/1200
产品特点
- 能满足较恶劣的使用环境要求(高温、粉尘等)
- 性能稳定,使用寿命长
- 维护保养简单,方便操作
- 适用范围广,性能稳定
应用领域
科学研究加速器碳化硅晶体晶振真空炉电真空新能源新材料真空干燥低温制冷电子器件
- 技术指标
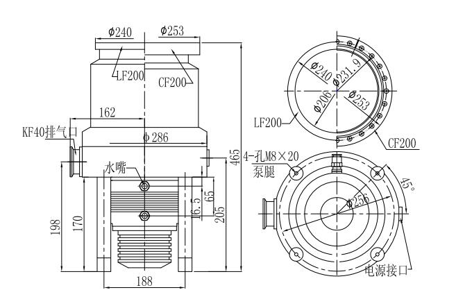
- 尺寸
- 产品特性
- 配件
- 下载
- 进气口法兰
- DN200 CF DN200 ISO-K
- 排气口法兰(ISO-KF)
- DN40
- 抽速速率(L/s)
- N2:1200 He:750 H2:480 Ar:1160
- 压缩比
- N2:1E9 He:1E4 H2:6E3 Ar:1E9
- 极限压强(Pa)
- CF:6E-7 ISO-K:6E-6
- 最大连续前级压强(Pa)
- 400
- 最大前级压强(Pa)
- N2:500
- 最大气载量(sccm)
- N2:2300 He:1700 H2:1350 Ar:870
- 额定转速(RPM)
- 24000
- 启动时间(min)
- ≤9
- 冷却方式
- 水冷?
- 冷却水流量(L/min)
- ≥1
- 冷却水温度(℃)
- ≤25
- 电源电压(V AC)
- DC24/AC220
- 最大功率(W)
- ≤750
- 适配电源型号
- TCDP-II、FD-IIB、TD-II/TCP-II
- 建议前级泵(L/s)
- 15
- 重量(kg)
- 39(LF) 41(CF)
| 文件名 | 类型 | 语言 | 日期 | 文件大小 |

