真空获得
F-400/4500
产品特点
- 抽速可达4500l/s,广泛应用于真空镀膜
- 性能稳定,使用寿命长,占用空间少
- 维护保养简单,方便操作
- 适用范围广,性能稳定
应用领域
科学研究ITO镀膜光学镀膜装饰镀膜平板显示真空炉电真空新能源新材料真空干燥低温制冷电子器件
- 技术指标
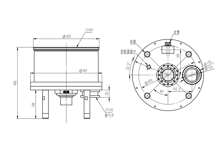
- 尺寸
- 产品特性
- 配件
- 下载
- 进气口法兰
- DN400 ISO-K
- 排气口法兰(ISO-KF)
- DN100 ISO-K
- 抽速速率(L/s)
- N2:4500 He:3200 H2:2000 Ar:4200
- 压缩比
- N2:5E7? He:1E3? H2:5E2? Ar:5E7
- 极限压强(Pa)
- 2E-6
- 最大连续前级压强(Pa)
- 100
- 最大前级压强(Pa)
- N2:300
- 最大气载量(sccm)
- N2:5500? He:4000? H2:3200? Ar:2100
- 额定转速(RPM)
- 15300
- 启动时间(min)
- ≤10
- 冷却方式
- 水冷
- 冷却水流量(L/min)
- ≥1
- 冷却水温度(℃)
- ≤25
- 电源电压(V AC)
- DC24/AC220
- 最大功率(W)
- ≤1100
- 适配电源型号
- FD-III
- 建议前级泵(L/s)
- 30
- 重量(kg)
- 118
| 文件名 | 类型 | 语言 | 日期 | 文件大小 |

